热收缩包装机简易故障维修指南【粤奇机械】【粤奇机械设备】
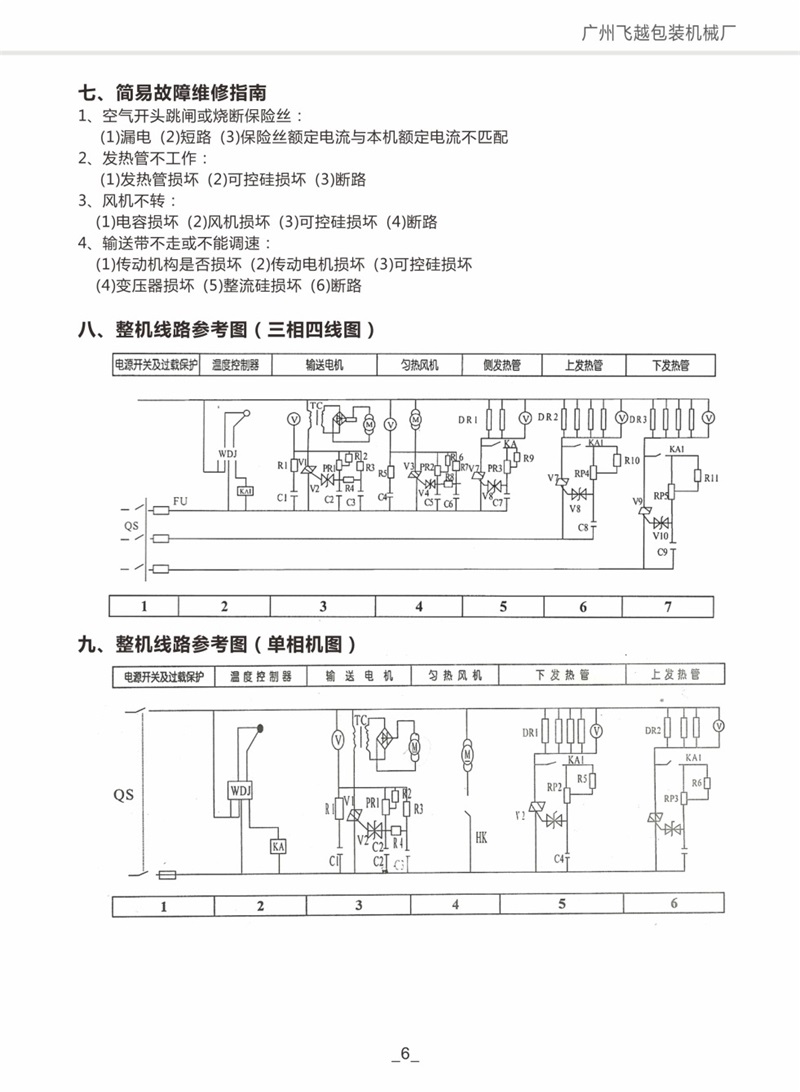
1、空气开头跳闸或烧断保险丝
(1)漏电 (2)短路 (3)保险丝额定电流与本机额定电流不匹配
2、发热管不工作
(1) 发热管损坏 (2) 可控硅损坏 (3) 断路
3、风机不转
(1) 电容损坏 (2) 风机损坏 (3)可控硅损坏 (4)断路
4、输送带不走或不能调速
(1)断路 (2) 整流硅损坏 (3) 可控硅损坏
(4) 变压器损坏 (5) 传动电机损坏 (6) 传动机构是否损坏
热收缩包装机使用说明书【粤奇机械设备】【粤奇机械】
热收缩机、塑封机、收缩炉、缩膜机使用说明书







注:版权归广州粤奇机械设备有限公司(原广州粤奇机械设备厂)所有
如需转载请注明转自【粤奇机械】【粤奇机械设备】
广州粤奇机械设备有限公司
佛山市顺德区三乐东路23号8栋704粤奇机械设备
全自动套膜封切机操作步骤【粤奇机械】【粤奇机械设备】
全自动封切机操作步骤
1、输入6kg/cm2左右气压,此时封切刀上升。
2、装好收缩膜(方法请参考图4)。
3、务必确定选择开关在“手动”位置!
4、接入220v电源,打开电源开关,加热开始。
5、调整供给输送带的位置,使包装物刚好适合通过。
6、调整三角板的高度略高于包装物高度。
7、用手拉住对折收缩膜开口这边,然后导入牵引链条入口,用另一只手按台面上送膜按扭,薄膜既会导入链条。【注意安全】
8、薄膜导入链条当中后,如果加热温度已达到设定值,即可用手按台面上的封切按钮进行手动封切。(手动封切时间约1秒左右)
9、封切完成后,此时可以把选择开关打到“自动”档,试着自动包装,等废料边料长度足够时,把料头系到收料盘上。
全自动封切机日常维护及保养【粤奇机械】【粤奇机械设备】
全自动套膜封切机日常维护及保养
为了使机器能长期稳定的工作,从而维持封口的良好状态,请务必遵守下列事项:
1.每日工作后,用软布仔细清洁封口部分,请在封切机温度尚未下降之前进行,若在70°C以下清洁封切刀,则有可能伤到封切刀表面之特氟龙涂层。
2.运动机件,如附在轴、杆、轴套及链条、链轮外的沉淀物,一定要定期清理,并加注润滑油(断电后进行)。
3.做好封切刀接触面即硅胶条保护工作,如果发现外层高温漆布烧损,应该立即更换。如继续使用则会对下面的硅胶条起不到保护作用,而且影响封口质量,新更换的漆布一定要保持平整,无皱褶。
4.若封切刀因磨损以致无法正常使用时,则必需更换封切刀。
5.气源处理元件--调压过滤器积水的清理方法:当水位至接近滤芯器底座时,就应及时进行排水操作,关闭气源,排出气路中的压缩空气于大气中,用拇指顶住外壳凸出的黑色开关,逆时针旋转大约45度,轻轻地往下拉,即可取下滤水杯,把里面的积水倒掉。
包装机维护与使用【粤奇机械】【粤奇机械设备】
1、包装机必须放置在平稳的操作台上,不宜在高湿、多粉尘、震动的环境中使用,并要保证电源插头接触良好。
2、取拿物品时应轻拿轻放,熔断丝断保鲜纸时,必须轻拉,以免损坏加热部件。
3、注意保持包装机清洁,包装机表出现脏物时应立即清洁,每周应定期对包装机机体内外进行全面清理,清洗时应断开电源,做到支架、滚轴、机内空位无附着物、无沉积。
4、严禁用水直接冲淋包装机,以免损坏。
5、暂时不使用时,应关闭加热板,熔断丝的开关,避免因长期加热而缩短包装机寿命。
6、长时间不使用,应拔出电源插头;当发现包装机有零件脱落或缺损时,应及时报发展部或维修部门。
热收缩包装机安装使用【粤奇机械】【粤奇机械设备】
1、 单相电接线方式:相线、中性线(即零线),接地线及接地端子必须可靠接地。
2、 三相电接线方式:相线、相线、相线、中性线(即零线),接地端子必须可靠接地。
3、 开机注意事项:①接好电源电缆线,在打开电源前,请先确保控制面板上面的温度控制器、输送带开关、上下侧发热管电压是否处于置零状态;若不是,请先将控制面板上的温度控制器、输送开关、上下侧发热管旋钮分别调到零位(往左边旋钮复位)。②依次打开控制面板上的电源开关,风机开关,适当调节输送带速度,调节温度控制器设定收缩膜所需的温度,接着调节上下侧发热管旋钮调到最大(即最右边),此时机器处于工作升温状态,表头指示绿灯亮表示温度未到设定温度值,待温度上升到设定温度值时,表头指示红灯亮。③温度达到,调好输送速度,即可开始试机生产。
4、 工作温度设定:PVC膜一般为120°C-160°C,POF膜180°C-200°C,PE膜180°C-250°C,以上温度仅供参考,需要根据不同的产品和膜来调整温度高低及输送带速度,产品出现皱纹时,表明温度不够或输送速度太快,可以增加温度或者调快速度;产品薄膜破裂时,表明温度过高或输送带速度太慢,可以降低温度或调慢速度。反复多次试机达到最佳收缩效果,此时请记下温度值及输送电压值,方便下次开机使用。
5、 关机注意事项:工作完成后,请不要马上切断电源,务必先将上、下、侧发热管旋钮调回零位,温度控制器调回零位,利用风机吹散仓内的热量,散热时间约15分钟,等温度降下来再把输送旋钮调回零位,关闭风机开关,最后关闭电源开关。
6、 工作前试机如前面所述,三相四线制只增加了侧温发热系统及风机调速功能。
7、 本机控制线路集中在控制箱内,如需打开控制箱,请完全切断电源并请有经验的专业电器人员进行维修及保养。
注:版权归广州粤奇机械设备厂所有,如需转载请注明转自【粤奇机械】【粤奇机械设备】
用心为您解答疑问
